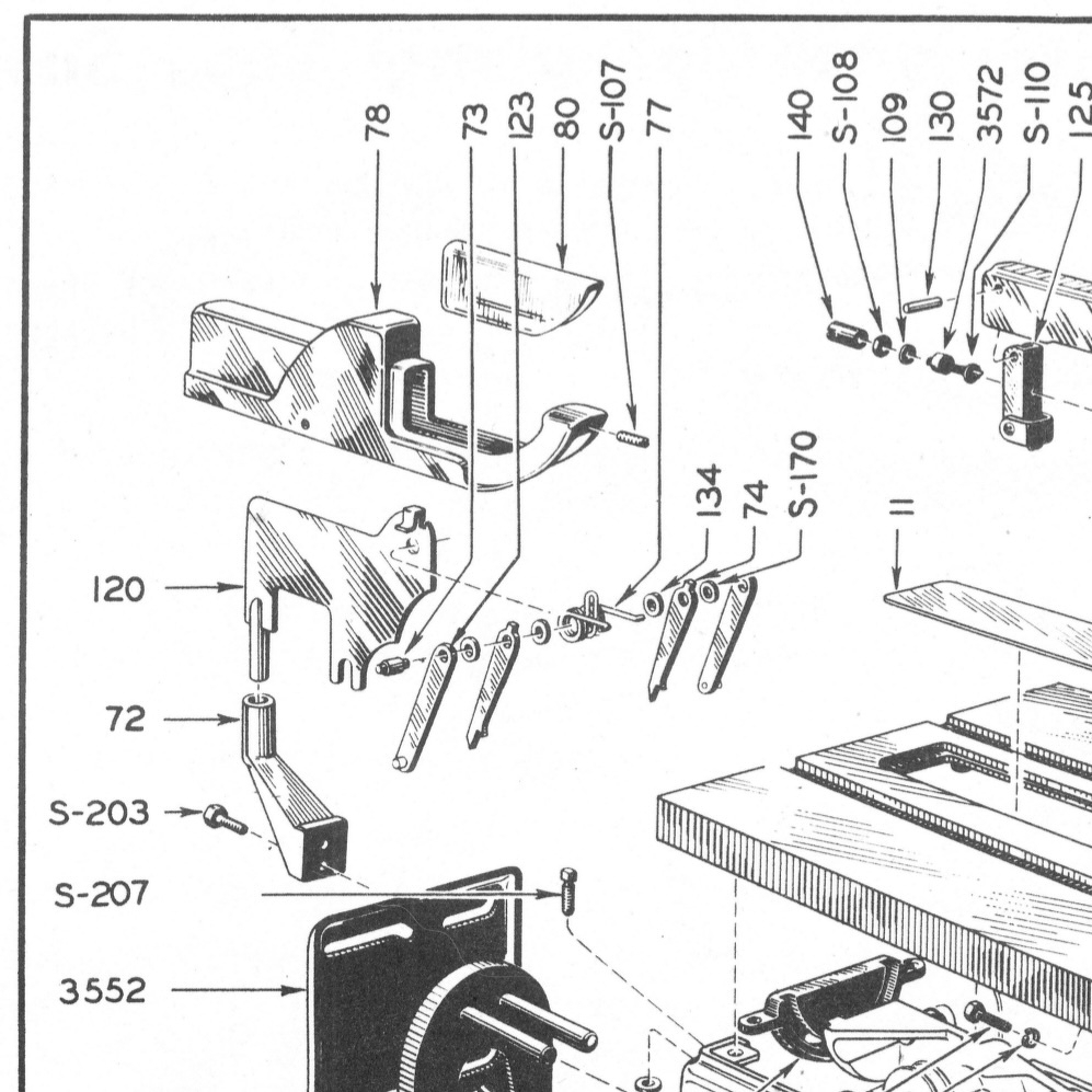
On the hunt for something to make my old 1940s Craftsman 113 8-inch Table Saw a bit safer to use. I know I can find some old guard assemblies on EBay but I’m wondering if there are other options? Etsy, aftermarket, DIY. Thoughts?




The Rev. Dev. A pastor-turned-programmer who solves problems with an eye for detail and a heart for people. Trying to make more friends. Loves books, tools, DIY, writing instruments, stationery, coffee, and watching educational videos on YouTube.
On the hunt for something to make my old 1940s Craftsman 113 8-inch Table Saw a bit safer to use. I know I can find some old guard assemblies on EBay but I’m wondering if there are other options? Etsy, aftermarket, DIY. Thoughts?



